Lei av treig mekanisk styring og kontrollkabler som ryker? Bytt til hydraulisk styring.
En av markedets mest solgte hydrauliske styring for utenbordsmotorer under 150HK.
Den nye BayStar styringen er en videreutviklet hydraulisk styring av BayStar Compact.
Den kraftigere. lette pumpen tillater en ekstra styreposisjon og rattomdreininger er øket fra 4,5 til 5,2.
Beregnet for utenbordsmotorer inntil 150 HK.
Dette settet anbefales ikke på motorer over 150 HK. Da anbefales Seastar Hydraulisk styring, varenummer 015751001
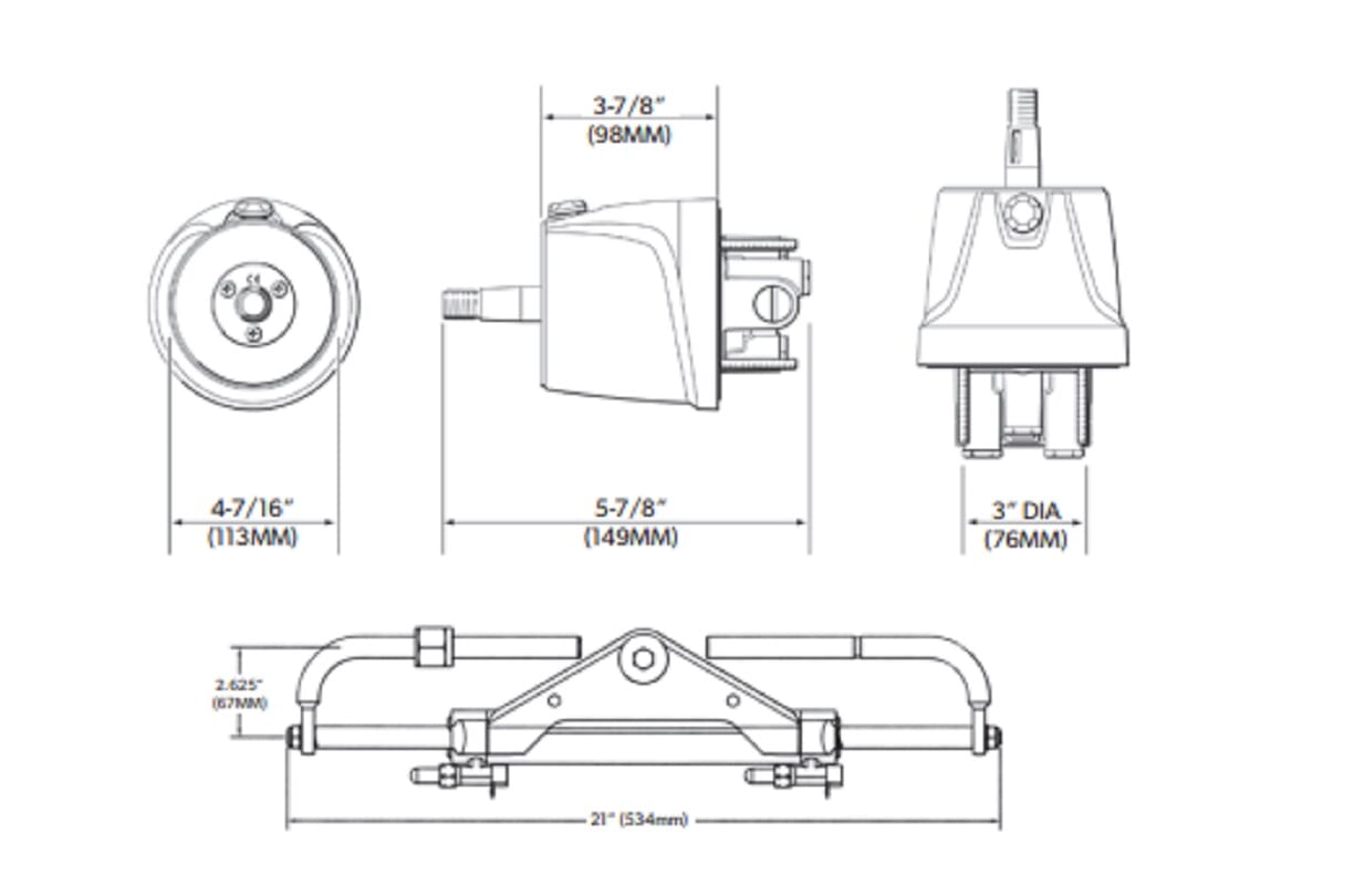
Rattpumpen er produsert i eloksert aluminium og kapasiteten er: 22.94cc (1.4 cui)
5.2 rattomdreininger.
Den erstatter alle tidligere BayStar rattpumper og dekker de samme monteringshullene.
Dette standardsettet (HK4200A-3) består av følgende komponenter:
HH4314 rattpumpe,
HC4645H Styresylinder,
HT4420H slangesett 2 x 20’ (2x6.10 m.),
HA5430 hydraulisk olje 2 flasker (946 ml, 1 US Quart)
NB! Vedrørende notat 1 i tabellen. Spacer kit H5090 må kjøpes seperat på de motorene denne er anbefalt for.
Miniumumskrav:
- Bredde i brønn (splashwell width): 534 mm
- Utskjæringsmål rattpumpe (cut-out hole in dash): 76 mm
Dette settet passer til følgende motorer:
Force:
1985-opp 90-150 HK
Honda:
1992-opp 30- 90 HK
1998-opp 115- 130 HK (oppgi motortype v/bestilling)
2003-opp BF135
2001-opp BF150
2010-opp 115-150 HK
Johnson/Evinrude:
1977-89 65- 150 HK (oppgi motortype v/bestilling)
1991-opp 40-150 HK
1997-opp 75-150 HK FICHT
1997-opp 115 HK FICHT (oppgi motortype v/bestilling) (4)
1998-opp 40-140 HK 4-takt (oppgi motortype v/bestilling) (1) (4)
Mercury/Mariner:
1984-opp 75-150 HK
Nissan:
1990-opp 120-140 HK
Suzuki:
1986-opp 150 HK
1987 - 2002 115-140 HK 2-takt (1)
2002 - opp 115-140 HK 4-takt (oppgi motortype v/bestilling) (1) (4)
1990 - 2000 90-100 HK
1998-opp 40- 70 HK 4-takt (1)
2010-opp 40-60 HK 4-takt (oppgi motortype v/bestilling)
Tohatsu:
1990-2007 50-150 HK
2008-opp 50-150 HK (oppgi motortype v/bestilling) (1) (4)
Yamaha:
1998-opp 40- 50 HK (2)
1998-opp 60 HK (3)
1986-opp 70- 90 HK (1)
1997-opp 80-150 HK 4-takt
2000-opp 25-60 HK 4-takt (oppgi motortype v/bestilling) (1)
Kommentarer:
(1) Monteringssett HO5090 må brukes. 015745090
(2) Motorfeste må kappes og motoren må boltes fast i akterspeilet for at motoren skal kunne tilpasses. Suzuki 40-50 Hk 2010 og nyere må styrearmen kappes, bruk Suzukis originale grunning og lakk
(3) Yamahas originale styrearm 63D-48511-00-4D må benyttes.
(4) HC4645H styresylinder kan også benyttes, monteringsplaten må vendes før installasjon.